Представляем новинку от компании Winstar - OLED индикатор с размером видимой области 1.1”
27 июня 2012 г.
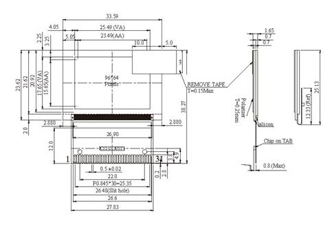
Компания Winstar расширяет стандартный ряд OLED индикаторов новинкой графическим монохромным индикатором с размером видимой области 1.1”. Новая модель WEX009664A с разрешением 94х64, на базе контроллера SSD1305 с поддержкой параллельных и последовательных интерфейсов.
Основные характеристики модели WEX009664A:![]() |
![]() |
Получить более подробную информацию вы можете:
Отдел развития:
E-mail: info@promelec.ru
Телефон: +7 (343) 372 92 27
"ПРОМЭЛЕКТРОНИКА" - официальный дистрибьютор компании "Winstar"


