МИКРОСХЕМЫ ПИТАНИЯ СВЕТОДИОДОВ ФИРМЫ "MACROBLOCK INC."

Компания Macroblock, Inc. была основана в 1999 году в городе Hsinchu, Тайвань. Компания позиционирует себя как производителя аналого-цифровых решений при этом наибольшее внимание уделяется сектору электропитания и опто-электронных приложений. Среди микросхем для оптоэлектронных приложений производимых компанией основной группой являются микросхемы для питания и управления светодиодами (как отдельными, так и группами) - это т.н. драйверы светодиодов.

Драйверы делятся на 3 группы:
  • Цифровые драйверы - непосредственно драйверы светодиодов и индикаторов обладающие цифровым интерфейсом
  • Источники питания - микросхемы позволяющие питать значительное количество светодиодов (соединенных последовательно) напрямую от сети 220 В
  • Драйверы подсветки - микросхемы предназначенные для питания светодиодов подсветки различных устройств (преимущественно - портативных).
Микросхемы Macroblock отличаются следующими общими возможностями:
  • Отсутствие множества дополнительных элементов необходимых при использовании других схем питания и управления светодиодами. Например, при применении микросхем Macroblock отпадает необходимость в токоограничивающих резисторах, индуктивностях, диодах Шоттки, конденсаторах (три последних используются в импульсных схемах питания). Светодиоды подключаются к микросхеме напрямую. Наверно, нет нужды пояснять, что уменьшение количества дополнительных элементов напрямую ведет к увеличению надежности устройства, уменьшению массогабаритных показателей и потребляемой устройством мощности.
  • Большой выходной ток каждого канала при 92% энергетической эффективности всей микросхемы (некоторые микросхемы могут обеспечивать ток более 100 мА на канал, без дополнительного теплоотвода).
  • Возможность регулировки тока всех светодиодов микросхемы (т.е. яркости) с помощью всего одного внешнего резистора (некоторые микросхемы имеют также цифровую регулировку).
  • Высокая частота обмена данными - до 25 МГц. Наряду с возможностью каскадирования устройств эта особенность делает довольно простой реализацию динамической индикации, а также подключение больших групп светодиодов (точечные дисплеи, панно и др.).
  • Минимальные габариты микросхем (имеются исполнения в корпусах SOIC для поверхностного монтажа)
Компания MBI также применяет в своих микросхемах и собственные суперсовременные технологии:

PrecisionDrive™ - Функция позволяет увеличить точность и качество выходных характеристик. Так, например, у микросхем использующих эту технологию отклонение выходного тока между всеми выходами не превышает 3%, а между отдельными микросхемами - 6%. Отклонение тока, обусловленное изменением прямого падения напряжения на светодиоде, ограничено на уровне 0,1% на вольт. Также учтены возможные изменения напряжения питания микросхем и изменения температуры окружающей среды (подразумевается, что обе характеристики находятся в рабочих пределах) - в случае таких изменений отклонение выходного тока не превысит 1 %. Функция реализована в микросхемах: MBI5026, MBI5025, MBI5027, MBI5028, MBI5168, MBI 5167.



Error detection™ - функция позволяет определять в режиме реального времени неисправности (обрыв, кз) светодиодов подключенных к микросхеме. Происходит это следующим образом - используя сигнальные выводы OE, LE, CLK контроллер посылает соответствующую команду на микросхему, которая, в свою очередь, изменяет некоторые биты в исходящей по линии SDO двоичной последовательности, анализируя которую можно получить точный адрес неисправного элемента. Функция реализована в микросхемах: MBI5027, MBI5028, MBI5170.



Сurrent-Adjustment™ - функция позволяет производить цифровую подстройку выходного тока микросхемы (баланса белого), при этом сохраняется возможность аналоговой регулировки (резистором). Функция реализована в микросхемах: MBI5028, MBI5170.

Share-I-O™ - функция позволяет совместить, без увеличения количества выводов, возможности Error detection и Сurrent-Adjustment в одном корпусе.

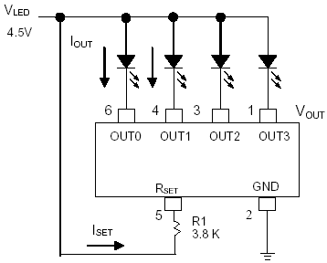
Цифровые драйверы: Микросхемы, представляющие собой устройства последовательного ввода цифровой информации (например, от микроконтроллера) и параллельной ее выдачи (непосредственно на светодиоды). По числу выходов на светодиоды микросхемы делятся на 8-ми битные (8 выходов) и 16-битные (16 выходов). По сути, это некоторая модификация КМОП регистров сдвига с защелкой, отличающая большим выходным током каждого канала (десятки и сотни миллиампер), а также множеством крайне полезных функций.

8-ми битные (восемь выходов) микросхемы:

Типовая схема применения:



  Изделие снято с производства Новая серия
MBI5001 MBI5168 MBI5169 MBI5170 MBI5171
Отклонение выходного тока (канал-канал), не более   ±3%
Отклонение выходного тока (микросхема-микросхема), не более   ±6%
Напряжение питания, В 4,5…5,5 3,3…5
Выходной ток, мА 5…90 5…120
Макс. напряжение на выходах, В 17
Тактовая частота, МГц 20 25
Error Detection™ Нет Нет Да Нет Да
White Balance Нет Нет Нет Да Да
PrecisionDrive™ Нет Да Да Да Да
Share-I-O™ Нет Нет Да Да Да
Входы на триггерах Шмитта Да
Дипазон рабочих температур, °С -40…+85
Корпус DIP16, SOP16, SSOP16 DIP16, SOP16, SOP16(W), SSOP16
Документация на изделие (PDF) Посмотреть Посмотреть Посмотреть Посмотреть Посмотреть


16-битные (16 выходов):

Типовая схема применения:



  Изделие снято с производства Новая серия
MBI5016 MBI5025 MBI5026 MBI5027 MBI5028
Отклонение выходного тока (канал-канал), не более   ±3%
Отклонение выходного тока (микросхема-микросхема), не более   ±6%
Выходной ток, мА 5…90 5…50 5…90
Макс. напряжение на выходах, В 17
Тактовая частота, МГц 20 25
Входы на триггерах Шмитта Да
Error Detection   Нет Нет Да Нет
White Balance   Нет Нет Нет Да
PrecisionDrive™   Да Да Да Да
Share-I-O™   Нет Нет Да Да
Корпус SDIP24, SOP24, SSOP24 DIP24, SOP24, SSOP24
Дипазон рабочих температур, °С -40…+85
Документация на изделие (PDF) Посмотреть Посмотреть Посмотреть Посмотреть Посмотреть


Источники питания: Принцип работы этих микросхем следующий - микросхема преобразует сетевое напряжение путем выпрямления и подает полученное нестабилизированное напряжение в виде импульсов тока на светодиодную цепочку (которая может насчитывать до 30 светодиодов определенного типа). Микросхемы допускают параллельное соединение для увеличения выходного тока.

Типовая схема применения:



  MBI6001N1x MBI6001N2x
Необходимость в трансформаторе Отсутствует
Номинальное напряжение , В 110 220
Рабочее напряжение сети, В 100…120 200…260
Выходной ток, мА 18 16
Выходное напряжение*, В 8…60 20…140
Дипазон рабочих температур, °С -20…+50
Тип корпуса DIP(N) N1N N2N
Тип корпуса SOP(D) N1D N2D
Документация на изделие в корпусе SOP (PDF) Посмотреть Посмотреть
Документация на изделие в корпусе DIP (PDF) Посмотреть Посмотреть
Документация по применению (PDF) Посмотреть
*Сумма падений напряжения на всех светодиодах цепочки

Драйверы подсветки - изделия представлены двумя наименованиями MBI1008 и MBI1009.

MBI1008 - Представляет собой миниатюрный (корпус SOT26, 6 выводов) четырехканальный источник тока с разбросом тока между каналами не более 5%, предназначенный специально для подсветки ЖКИ индикаторов портативных устройств: КПК, трубок сотовых и микросотовых телефонов, цифровых камер, пейджеров, MP3-плееров. Напряжение питания микросхемы: 2,8…8 В, выходной ток - 15…25 мА.
Более подробную информацию Вы можете получить в описании изделия (PDF) - загрузить, или в рекомендациях по его применению - ознакомиться с ними Вы можете здесь.

Типовая схема применения:



MBI1009 - Представляет собой 3-канальный цифровой драйвер полноцветной RGB подсветки. Выходной ток - 5…40 мА с разбросом между каналами не более 5%, между однотипными микросхемами. Напряжение питания - 3,0…5 В. Микросхема имеет цифровой интерфейс подобный вышеописанному для цифровых драйверов. Для регулировки яркости может применяться как аналоговый резистор, так и цифровая подстройка.
Более подробную информацию Вы можете получить в описании изделия (PDF) - загрузить

Типовая схема применения:



  • Наименование
    К продаже
    Цена от
К продаже:
100 шт.
Цена от:
128,45
MBI5027GNS-A шаг 1.78
К продаже:
39 шт.
Цена от:
56,87
MBI5168GDW-A широкий
К продаже:
322 шт.
Цена от:
99,49
К продаже:
180 шт.
Цена от:
108,05
К продаже:
32 шт.
Цена от:
91,76
MBI5025GF-C шаг 1.00
К продаже:
206 шт.
Цена от:
104,27
MBI5026GP-A шаг 0.64
К продаже:
1 914 шт.
Цена от:
48,48
MBI5168GD-A узкий
К продаже:
1 927 шт.
Цена от:
66,99
MBI5026GF-A шаг 1.00
К продаже:
14 078 шт.
Цена от:
36,75
  • Производитель
    Корпус
    Описание
SOP16
Драйвер Led; 8 каналов; Iвых= 5-120mА; 25MHz; PWM; PrecisionDrive; Error Detection; Share-I-O; Баланс белого; Uп=5v
SDIP24
Драйвер Led; 16 каналов; Iвых= 5-90mА; 25MHz; PWM; PrecisionDrive; Error Detection; Share-I-O; Uп=5v
SOP16
Драйвер Led; 8 каналов; Iвых= 5-120mА; 25MHz; PWM; PrecisionDrive; Uп=5v
DIP16
Драйвер Led; 8 каналов; Iвых= 5-120mА; 25MHz; PWM; PrecisionDrive; Uп=5v
SOP16
Драйвер Led; 8 каналов; Iвых= 5-120mА; 25MHz; PWM; PrecisionDrive; Error Detection; Share-I-O; Uп=5v
SOP24
Драйвер Led; 16 каналов; 25MHz; Iвых= 3-45mА при Uп=5v или Iвых= 3-30mА при Uп=3,3v
SSOP24
Драйвер Led; 16 каналов; Iвых= 5-90mА; 25MHz; PWM; PrecisionDrive; Uп=5v
SOP16
Драйвер Led; 8 каналов; Iвых= 5-120mА; 25MHz; PWM; PrecisionDrive; Uп=5v
SOP24
16-канальный драйвер для светодиодов постоянного тока с обнаружением ошибок и усилением по току