| Тип реле | Сигнальные маломощные | Миниатюрные силовые | Миниатюрные силовые | |
| Серия | 30.22 | 32.21 | 34.51 | |
| Внешний вид | ![]() |
![]() |
![]() |
|
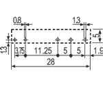
| Габаритные размеры (ДхШхВ), мм | 20,3х10,1х11,4 | 20х10х10,7 | 28х5х15 | |
| Параметры контактов | Коммутационная формула | DPDT (2 перекл) | SPDT (1 перекл) | SPDT (1 перекл) |
| Рабочее/максимальное коммутируемое напряжение, В | 125/250 | 250/400 | 250/400 | |
| Рабочий/максимальный коммутируемый ток, А | 2/3 | 6/15 | 6/10 | |
| Максимальная коммутируемая мощность, ВА | 125 (при 230В АС - 25) | 1500 (при 230В АС - 250) | 300 (при 230В АС - 185) | |
| Минимальная коммутируемая мощность, мВт (В/мА) | 10 (0,1/1) | 500 (10/5) | 500 (12/10) | |
| Параметры катушки | Напряжение, В | DC: 5, 12, 24 | DC: 12, 24 | DC: 12, 24 |
| Мощность, Вт | 0,2 | 0,2 | 0,17 | |
| Напряжение изоляции | Между контактами и катушкой, В | 1500 | 5000 | 6000 |
| Механическая прочность, циклов | 10*106 | 20*106 | 10*106 | |
| Электрическая прочность, циклов | 100*103 | 100*103 | 60*103 | |
| Время замыкания контактов/ время размыкания контактов, мс | 6/2 | 6/4 | 5/3 | |
| Схема контактов/ Расположение контактов | ![]() |
![]() |
![]() |
|
| Схема разметки отверстий в плате | ![]() |
![]() |
![]() |
|
| Установка | на печатную плату | на печатную плату | на печатную плату (в том числе без колодки) | |
| Розетки | - | - | на плату: 91.11 | |
| Номера для заказа | 30.22.7.005.0010 30.22.7.012.0010 30.22.7.024.0010 | 32.21.7.012.4000 32.21.7.024.4000 | 34.51.7.012.0010 34.51.7.024.0010 | |
-
ПроизводительКорпусОписание
Ультратонкое электромеханическое реле; монтаж на печатную плату; 1CO 6A; контакты AgNi; катушка 12В DC (чувствит.); степень защиты RTII
Ультратонкое электромеханическое реле; монтаж на печатную плату; 1CO 6A; контакты AgNi; катушка 24В DC (чувствит.); степень защиты RTII
Субминиатюрное электромеханическое реле; монтаж на печатную плату; 1CO 6A; контакты AgSnO2; катушка 24В DC (чувствит.); влагозащита RTIII
Субминиатюрное электромеханическое двухрядное реле; монтаж на печатную плату; 2CO 2A; контакты AgNi+Au; катушка 5В DC (чувствит.); влагозащита RTIII
Субминиатюрное электромеханическое двухрядное реле; монтаж на печатную плату; 2CO 2A; контакты AgNi+Au; катушка 48В DC (чувствит.); влагозащита RTIII








