Активные фильтры формируются на базе активных элементов – дискретных транзисторов или операционных усилителей (ОУ). Сегодня явно преобладает последний вариант, его мы и рассмтрим. Использование ОУ позволяет, используя только конденсаторы, синтезировать любую амплитудно-частотную характеристику (АЧХ), какую можно получить с помощью пассивного LC-фильтра. Это обстоятельство позволяет заметно сократить площадь, занимаемую на плате активным фильтром, особенно в случае, когда речь идет о частотах от единиц герц до десятков килогерц.
Так же как и в случае пассивных фильтров, активные фильтры разделяются на фильтры нижних и высоких частот, а также на полосные и заграждающие фильтры.

Рис. 1. Схема неинвертирующего фильтра низких частот (ФНЧ) Саллена-Ки 2-го порядка

Рис. 2. Схема неинвертирующего фильтра высокой частоты (ФВЧ) Саллена-Ки 2-го порядка
Существует большое количество вариантов схем активных фильтров, невозможно рассмотреть их все в коротком обзоре, поэтому ограничимся несколькими примерами. На рис. 1 приведена, схема неинвертирующего фильтра низких частот (ФНЧ) Саллена-Ки 2-го порядка. Резисторы R5 и R6 не обязательны, выход ОУ можно напрямую соединить с его инвертирующим входом, в этом случае получится схема повторителя. На рис. 2 также изображен фильтр Саллена-Ки 2-го порядка, но это уже фильтр высокой частоты (ФВЧ). Как видно из рис 1 и рис. 2, к двухкаскадному RC-фильтру добавлен повторитель на ОУ. Обратная связь позволяет отказаться от индуктивности, и сформировать требуемую АЧХ.

Рис. 3. Схема ФНЧ с многопетлевой обратной связью

Рис. 4. Cхема заграждающего или режекторного фильтра

Рис. 5. Схема полосового фильтра
На рис. 3 показан ФНЧ с многопетлевой обратной связью, его иногда называют фильтром Рауха. На рис. 4 приведена схема заграждающего или режекторного фильтра, а на рис. 5 – схема полосового фильтра. АЧХ всех перечисленных типов фильтров схематично показаны на рис. 6. Нетрудно заметить, что все эти схемы представляют собой колебательное звено 2-го порядка.

Рис. 6. АЧХ различных фильтров
В качестве примера рассмотрим передаточную функцию Н фильтров ФВЧ и ФНЧ, оставив дабы излишне не загромождать наш короткий обзор, вне рассмотрения полосовые и режекторный фильтры. Для простоты опустим промежуточные преобразования и положим, что в качестве усилителя используется повторитель с К=1. имеет следующий вид.
(1)
(2)
Где: р - оператор Лапласа; – собственная частота колебательного звена; – коэффициент демпфирования (иногда использую добротность Q - величина обратная демпфированию); .
Передаточная функция ФНЧ имеет схожий с (1) вид
(3)
Характеристическое уравнение всех типов фильтров, о которых говорилось выше, в общем виде записывается следующим образом.
(4)
Где: VOUT – выходное напряжение
При рассмотрении поведения фильтра в частотной области вместо оператора Лапласа в (1, 2) используют оператор Фурье ( – мнимая единица). Если требуется оценить поведение фильтра во временной области, вместо оператора Лапласа используют оператор дифференцирования d/dt.
Поведение фильтра в частотной области описывается АЧХ, а во временной области переходной характеристикой. Уравнение колебательного звена (4) рассматривалось в специальной литературе бесчисленное множество раз, поэтому не будем повторяться, лишь напомним, что при переходный процесс носит апериодический характер, а при – колебательный. В частотной области при в полосе пропускания на АЧХ отсутствуют экстремумы, а при в полосе пропускания АЧХ имеется экстремумы, их число зависит от порядка фильтра.
В зависимости от параметров фильтры при расчете в частотной области разделяют на следующие типы:
- фильтр Бесселя;
- фильтр Баттерворта;
- фильтр Чебышева;

Рис. 7. АЧХ фильтров Бесселя, Баттерворта, Чебышева и пассивного RC-фильтра
На рис. 7 условно показаны АЧХ этих фильтров и для сравнения АЧХ простой RC-цепочки. Разумеется, исходя из соотношений (1) и (2) можно рассчитать передаточную функцию фильтра с любым параметром, но для упомянутых выше фильтров имеются расчетные таблицы, которые помогут вам справиться с расчетами буквально за несколько минут.
Как известно, при каскадном соединении звеньев в случае, когда они не влияют друг на друга, их передаточные функции перемножаются. Поэтому для увеличения ослабления вне полосы пропускания используют каскадное соединение нескольких фильтров. Напомним, что в этом случае величина ослабления после частоты среза (частота, на которой происходит ослабление сигнала на 3 дБ) определяется соотношением 20N дБ/декада (N – порядок фильтра).
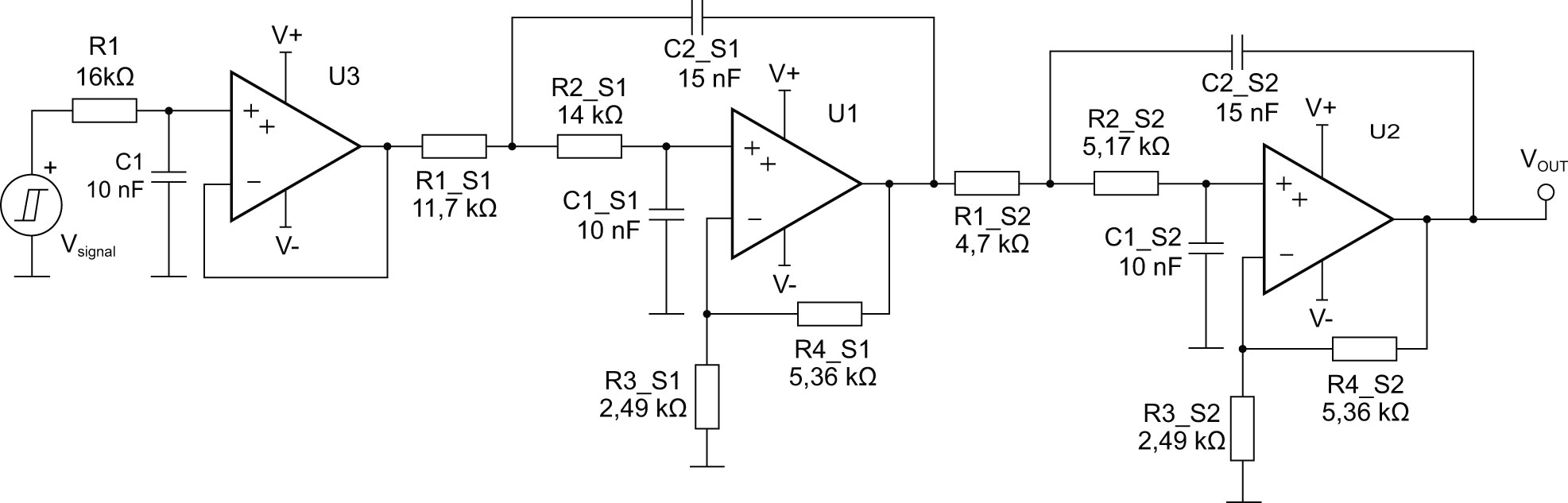
Рис. 8. Пример каскадного соединения ФНЧ
Рис. 9. АЧХ фильтра (рис. 8)
Рис. 10. Переходный процесс фильтра (рис. 8)
Пример каскадного соединения двух ФНЧ 2-го порядка и одного ФНЧ 1-го порядка показан на рис. 8. Усилители U1, U2 и U3 обеспечивают разделение фильтров, и они не влияют друг на друга. Таким образом, мы получили ФНЧ 5-го порядка с ослаблением 100 дБ/декада. АЧХ этого фильтра показана на рис. 9. Наличие двух экстремумов означает, как было указано выше, присутствие колебательного переходного процесса, что и подтверждается на рис. 10, где изображен колебательный переходный процесс ФНЧ 5-го порядка (рис. 8).
Время установления (затухания) выходного сигнала фильтра очень важный параметр, если этот сигнал поступает на вход АЦП. В этом случае время установления определяется как интервал, в течение которого выходной сигнал фильтра будет отличаться от установившегося значения менее чем на 1/2 величины младшего разряда (МЗР) АЦП. Другими словами, погрешность установления выходного сигнала фильтра должна быть менее 1/2 МЗР. Например, если используется 12-разрядный АЦП, погрешность установления не должна превышать 0,01% полной входной шкалы АЦП, а при 16-разрядном АЦП эта погрешность уже должна быть не более 0,001%.
Обратите внимание, соотношения (1–3) выведены из условия идеальности ОУ, однако на практике приходится иметь дело с реальными ОУ, основные их отличия от идеальных изложены в обзоре Операционные усилители. Устройство и применение. Основным ограничением при использовании реальных ОУ в активных фильтрах являются его частотные характеристики.
Для того чтобы соблюдались соотношения (1–3) полоса пропускания реального ОУ, при котором его усиление значительно больше коэффициента передачи фильтра должна быть на 3–4 порядка больше, чем частота среза фильтра. Фактически это означает ограничение активных фильтров в полосе частот не более нескольких десятков мегагерц.


