• Главная
  • База знаний
  • Выпрямительные мосты компании Vishay: широкий выбор и надежность, проверенная временем

Выпрямительные мосты компании Vishay: широкий выбор и надежность, проверенная временем

Источники питания — неизменная часть большинства изделий радиоэлектронной аппаратуры (РЭА). И хотя в их основе, учитывая современные тенденции, лежат импульсные технологии, для любого блока питания с подключением к электросети напряжения переменного тока, а также целого ряда зарядных устройств, преобразователей и инверторов по-прежнему остается привычный выпрямитель, выполненный, как правило, в виде диодного моста. Одним из ведущих изготовителей, гарантирующих высокое качество и надежность выпрямительных мостов для самого широкого спектра приложений, является компания Vishay Intertechnology, Inc. [1].

 

Достоинства мостового выпрямителя заключаются в двухполупериодном выпрямлении с малыми пульсациями, что позволяет уменьшить выходную фильтрующую емкость выпрямителя. К недостаткам следует отнести потери на диодах моста, которые зависят от тока, соответственно, существует зависимость выходного напряжения от нагрузки. Существует также не всем известный факт: использование дешевых кремниевых диодов с большим начальным участком вольтамперной характеристики (ВАХ) приводит к высокому уровню электромагнитных помех (ЭМП), причем как кондуктивных, так и излучаемых.

Поскольку выпрямитель — это важнейшая часть большинства РЭА, к его выбору нужно относиться весьма серьезно, и ответственный разработчик остановит свой выбор на продуктах, гарантирующих качество и надежность в балансе с приемлемой ценой. Одним из таких проверенных временем изготовителей является компания Vishay Intertechnology, Inc., в портфеле которой имеются мостовые выпрямители, как говорится — на любой вкус и цвет.

 

О компании Vishay

 

История компании Vishay Intertechnology, Inc. (далее — Vishay) началась в 1962 году с одного человека, доктора Феликса Зандмана (Dr. Felix Zandman). С тех пор, наращивая силы и укрепляясь, компания стала одним из самых надежных производителей электронных компонентов в мире. Потребители продукции компании Vishay представляют практически все рынки электроники, в ассортименте компании имеются и изделия, выпущенные по военным и аэрокосмическим стандартам, а также классифицированные для автомобильного и медицинского оборудования. Благодаря исследованиям и разработкам, производству, проектированию, контролю качества, продажам и маркетингу она создает основные компоненты, которые позволяют разрабатывать продукты нового поколения, например, выпрямители для блоков питания базовых станций сотовой связи пятого поколения — 5G.

 

Выпрямительные мосты компании Vishay: есть что предложить и есть из чего выбрать

 

Перечень коммерчески доступных компонентов, перекрывающих широкий диапазон токов и напряжений, кроме «классических» выпрямительных мостов и модулей, содержит сверхминиатюрные мосты и монтируемые в отверстия компактные выпрямители с высокой плотностью тока, позиционируемые как isoCink+. Необходимые мостовые выпрямители можно выбрать на сайте компании, заполнив соответствующую форму и пройдя по ссылке [2]. Краткие сведения по коммерчески доступным выпрямительным мостам, в зависимости от их исполнения, сведены в таблицу 1.

 

Таблица 1. Основные электрические характеристики коммерчески доступных от компании Vishay выпрямительных мостов, в зависимости от их конструктивного исполнения

Тип корпуса (JEDEC)

Доступная номенклатура, количество вариантов

Прямой номинальный ток IF(AV), А

Импульсный ток IFSM, А

Обратное напряжение VRRM, В

Прямое падение напряжения VF при IF, В

BU

58

10, 12, 15, 20, 25

90, 120, 150, 200, 240, 300

600, 800, 1000

0,85, 0,87, 0,88, 0,94

DFM

139

0,9, 1,0

30, 45, 60

50, 65, 100, 125, 150, 200, 400, 600, 800, 1000

1, 1,05, 1,1

DFS

163

1, 1,5

30, 50

50, 100, 150, 200, 400, 600, 800, 1000

1,05, 1,1

DFS Low profile (DFLS)

49

1,5

50

50, 100, 200, 400, 600, 800, 1000

1,1

GBL

214

1,5. 4

80, 120, 150

50, 100, 200, 400, 600, 800, 1000

1,0

GBPC

16

12, 15, 25, 35

200, 300, 400

50, 100, 200, 400, 600, 800, 1000

1,1

GBPC-W

16

12, 15, 25, 35

200, 300, 400

50, 100, 200, 400, 600, 800, 1000

1,1

GBPC6

49

6

175

50, 100, 200, 400, 600, 800, 1000

1

GBU

166

25, 4, 6, 8

80, 15, 175, 200, 350

50, 100, 200, 400, 600, 800, 1000

0,75, 1, 1,05

GSIB-5S

196

15, 20, 25, 6

150, 180, 200, 240, 300, 350, 400, 550

200, 400, 600, 800

0,71, 0,73, 0,74, 0,75, 0,95, 1

KBL

49

4

200

50, 100, 200, 400, 600, 800, 1000

1,1

KBU

147

4, 6, 8

200, 300

50, 100, 200, 400, 600, 800, 1000

1

MBM

18

0,5

30, 35

200, 400, 600

1

MBS

(TO-269AA)

22

0,5

30, 35

200, 400, 600

1, 1,25

PB

36

30, 35, 40, 45

240, 350, 400, 450

600, 800, 1000

0,90, 0,94, 097

WOG

173

0,9, 1, 1,5 2

45, 50, 60

50, 65, 100, 125, 150, 200, 400, 600, 800, 1000

1, 1,01

Примечание. Указанный прямой номинальный ток — это максимальный длительный ток на резистивную и индуктивную нагрузки.

 

И хотя большинство предложений компании Vishay вписывается в общее «классическое» представление о мостовом выпрямителе, следует особо отметить серию, которая позиционируется компанией Vishay как isoCink+ и рассчитана на рабочие токи 45, 30, 25, 20, 15, 12 и 10 А [3]. Эту серию силовых мостовых выпрямителей вряд ли можно отнести к новинкам компании Vishay, но она дает разработчикам компактное сильноточное решение для первичных выпрямителей в импульсных источниках питания самого широкого спектра применения, обладая высокой производительностью, сравнимой с мостовыми устройствами больших габаритов. Одно из их достоинств — низкое тепловое сопротивление, достигнутое благодаря использованию алюминиевой основы для передачи тепла от диодов к радиатору или внешней среде. Благодаря такому решению температура моста снижается на 10 °С [4], что, как известно из теории надежности, вдвое повышает время наработки на отказ. Соответственно, силовые мосты этой серии позволяют снизить требования к размерам радиаторов, поскольку для них нужен отвод меньшего тепла. Удобство использования мостовых выпрямителей этой серии заключается и в том, что шаг и расположение выводов совместимы с классическими мостами в исполнении GBU и GSIB-5S. Соответственно, мосты isoCink+ позволяют разработчикам увеличить мощность уже имеющихся выпрямительных систем без изменения компоновки печатных плат или конструктивного решения теплоотвода. А использование мостовых выпрямителей данной серии в новых разработках не только экономит место на печатной плате, но и, благодаря своему исполнению (рис. 1), упростит и решение по отводу тепла.

 

Рис. 1. Варианты исполнения (PU и PB) диодных мостов isoCink+

 

Области применения выпрямительных мостов isoCink+:

  • Импульсные источники питания и адаптеры для настольных ПК, серверов, ноутбуков.
  • Источники питания ЖК-телевизоров и ЖК-мониторов.
  • Первичные выпрямители бытовой техники инверторного типа, таких как холодильники, стиральные машины, кондиционеры и индукционные панели.
  • Первичная схема выпрямления в блоках питания телекоммуникационной аппаратуры.

Кроме перечисленных в таблице 1 выпрямительных мостов, компания Vishay предлагает мосты повышенной мощности с обратным напряжением до 1600 В, а также силовые выпрямительные мостовые модули (табл. 2). Полный перечень силовых выпрямителей и модулей доступен на сайте компании.

 

Таблица 2. Основные электрические характеристики коммерчески доступных от компании Vishay силовых выпрямительных мостов, рекомендованных для приложений большой мощности

Однофазные выпрямительные мосты

 

Серии продукта

Тип корпуса

Прямой номинальный ток IF(AV), А

Обратное напряжение (Rev. Voltage), В

VS-P100 (управляемые)

PACE PAK (D-19)

25

400, 600, 800, 1000, 1200

VS-P400 (управляемые)

40

VS-MB26

MB (D-34)

25

50, 60, 100, 150, 200, 400, 600, 800, 1000, 1200

VS-MB26 High Voltage (высоковольтные)

25

1400

VS-MB36

35

50, 60, 100, 150, 200, 400, 600, 800, 1000, 1200

VS-MB36 High Voltage (высоковольтные)

35

1600

Трехфазные выпрямительные мосты

VS-26MT

MT (D-63)

25

50, 100, 200, 400, 600, 800, 1000, 1200, 1400, 1600

VS-36MT

35

40MT…PB

MT…PB

45

1600

70MT…PB

75

100MT…PB

100

40MT…PA

MT…PA

45

1600

70MT…PA

75

100MT…PA

100

VS-60MT

MTK

60

800, 1000, 1200, 1400, 1600

VS-70MT

70

VS-90MT

90

VS-110MT

110

VS-130M

130

VS-160MT

160

200MT40KPBF

200

400

 

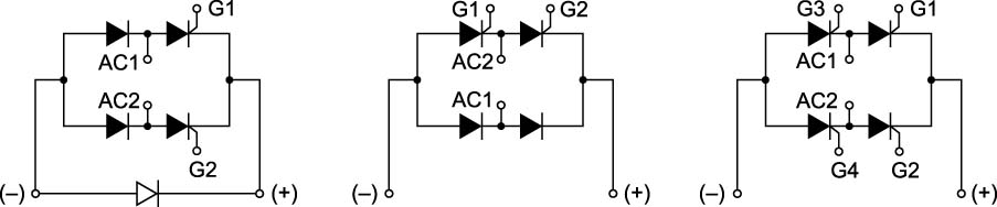
Здесь несомненный интерес представляют управляемые выпрямительные мосты серий VS-P100 и VS-P400 — серии интегральных силовых модулей, состоящих из мощных тиристоров и диодов, собранных в одном корпусе. Благодаря изолирующей опорной плите механические конструкции значительно упрощены, что дает преимущества в снижении затрат и сокращении габаритов. Приложения для таких устройств предусматривают источники питания, цепи управления и зарядные устройства. В составе этих серий имеется по три варианта (четвертая цифра в обозначении — конфигурация):

  • 0 = однофазный гибридный мост с общим катодом;
  • 2 = однофазный гибридный мост для удвоителя напряжения;
  • 3 = однофазный, полностью тиристорный мост (SCR bridge).

Схемы, представленные на рис. 2, в конфигурации 0 и 1 по два диода моста заменены на тиристоры (G1 и G2) с выведенным управляющим электродом. В схеме конфигурации 3 все четыре диода — это тиристоры (G1, G2, G3 и G4).

 

Рис. 2. Доступные конфигурации управляемых выпрямительных мостов серий VS-P100 и VS-P400 компании Vishay

 

Из новинок, представляемых компанией Vishay, следует отметить ее мостовые выпрямители для блоков питания базовых станций пятого поколения — 5G [5]. Для этого технически сложного оборудования предлагаются выпрямители, представленные в таблице 3. Эти устройства, выполненные в компактных корпусах, отличаются высокой плотностью тока, их особенность — низкое падение напряжения на диодах VF и эффективная работа на импульсных токах прямоугольной формы. Применение таких мостовых выпрямителей упрощает конструкцию и повышает общую энергоэффективность системы.

 

Таблица 3. Основные электрические характеристики коммерчески доступных от компании Vishay выпрямительных мостов, рекомендованных для блоков питания аппаратуры базовых станций 5G

Тип продукта

Тип корпуса

Прямой ток IF(AV), А

Обратное напряжение VRRM, В

Прямое падение напряжения VF при IF, В при Ta = +125 °C

Импульсный ток IFSM, А (8,3 мс)

LVB1560

GSIB-5S

15

600

0,73

7,5

400

LVE1560

15

600

0,71

7,5

300

LVB2560

25

600

0,76

12,5

550

LVE2560

25

600

0,74

12,5

400

PB3010

isoCink+

30

600

0,97

15

240

PB3510

15

600

0,73

7,5

400

PB4010

15

600

0,71

7,5

300

PB5010

25

600

0,76

12,5

550

 

Как можно видеть даже из приведенного общего краткого обзора, в портфеле компании Vishay действительно есть широкий выбор мостовых выпрямителей. В зависимости от потребностей клиентам компании доступны выпрямительные мосты, рассчитанные на прямой ток 0,5–50 А и на обратное напряжение 30–1600 В. Ассортимент включает диодные сборки для поверхностного монтажа, монтажа в отверстия и монтажа при помощи клемм на наконечниках. В наличии однофазные и трехфазные диодные мосты.

Заказать выпрямительные мосты можно на сайте группы компаний «Промэлектроника». Доступен самовывоз в Москве и Екатеринбурге и доставка по России, Беларуси, Казахстану. Последние на момент написания статьи новинки (полная информация доступна по ссылке [7]) в поставках выпрямительных мостов компании Vishay представлены в таблице 4.

 

Таблица 4. Новинки в поставках группы компаний «Промэлектроника»

Тип диода

Описание

Прямой ток IF(AV), А

Обратное напряжение VRRM, В

Корпус

Тип монтажа

DF06SA-E3/77

Однофазный диодный мост общего применения

600

1

DFS

SMD

DF08M-E3/45

Однофазный диодный мост

800

1

DFM

В отверстия

DF10SA-E3/77

Однофазный диодный мост

1000

1

DFS

SMD

GBL10-E3/51

Однофазный диодный мост

1000

3

GBL

В отверстия

GSIB1580-E3/45

Однофазный диодный мост

800

3,5

GBJ

В отверстия

KBL06-E4/51

Однофазный диодный мост

600

4

KBL

В отверстия

KBU8K-E4/51

Однофазный диодный мост

800

8

KBU

В отверстия

W08G-E4/51

Однофазный диодный мост

800

1,5

WOG

В отверстия

 

Заключение

 

Преимущество использования мостовых выпрямителей в сравнении с решениями на дискретных выпрямительных диодах заключается в том, что готовые диодные выпрямительные сборки, как правило, удобнее и проще использовать. С точки зрения простоты применения и соотношения цены и качества у диодных мостов нет конкурентов. Кроме того, диоды в таких сборках, как мостовые выпрямители, имеют очень близкие характеристики с минимальным разбросом не только ВАХ, но и собственной емкости и заряда обратного восстановления, что снижает проблемы в части генерации ЭМП и упрощает сертификацию по ЭМС.

Полная информация по рассмотренным в статье продуктам доступна на сайтах компании Vishay [2] и группы компаний «Промэлектроника» [6]. У обеих компаний имеется служба технической поддержки, через которую вы всегда можете получить ответы на интересующие вас вопросы и помощь в выборе оптимального компонента. Самостоятельно выбрать подходящий выпрямительный мост кроме данной статьи вам помогут руководства по выбору [8, 9].