На склад "Промэлектроники" поступили оценочные платы источника питания уличного светодиодного светильника EVL130W-STRLIG
20 сентября 2012 г.
TDK-EPC в содружестве с STMicroelectronics приняли участие в разработке схемы источника питания для уличного светодиодного светильника. TDK-EPC предлагает все ключевые пассивные электронные компоненты, такие как: конденсаторы, варисторы, катушки индуктивности. Блок питания имеет мощность 130Вт при выходном напряжении 48В.TDK-EPC и STMicroelectronics совместно разработали новое схемо-техническое решение (рис.1), которое состоит из двух частей: корректора коэффициента мощности (PFC) на микросхеме L6562AT производства STMicroelectronics и резонансного преобразователя на базе микросхемы L6599A.
Рисунок 1 - Оценочная плата EVL130W-STRLIG с корректором мощности и резонансным драйвером
![]() |
Использование пленочных конденсаторов обеспечивает очень высокую надежность и длительный срок эксплуатации |
Основным достоинством этого решения является очень высокая эффективность (более 90%), широкий диапазон входного напряжения (от 85 до 305В), высокая надежность и длительный срок службы. Чтобы исключить отказы, связанные с использованием электролитических конденсаторов, в схеме используются пленочные конденсаторы. Благодаря использованию корректора мощности L6562AT и контроллера резонансного преобразователя L6599AT от STMicroelectronics, количество компонентов устройства было сведено к минимуму, что позволило увеличить время наработки на отказ. Благодаря высокой эффективности схемы, силовые компоненты корректора мощности нуждаются лишь в небольшом радиаторе. Источник питания имеет защиту от перегрузки и короткого замыкания, холостого хода и превышения напряжения на входе. Система автоматически перезапускается после срабатывания любой из защит.
Основные параметры:
- Диапазон входного напряжения от 85 до 305В (AC) при частоте от 45 до 55Гц;
- Выходное напряжение 48В, ток до 2.7A;
- Увеличенное время жизни, благодаря применению пленочных конденсаторов EPCOS;
- Габаритные размеры платы (75 х 135 х 30) мм;
- Эффективность до 95%;
- Электромагнитная совместимость по EN55022 Class B, EN55015;
- Защита от короткого замыкания и перегрузки.
Часть первая: Корректор мощности
Корректор мощности этого источника питания работает в переходном режиме, на стыке режимов прерывистого и непрерывного тока, а также обеспечивает выпрямление и повышение входного переменного напряжения до уровня 450В. В этом устройстве корректор мощности является обычным повышающим преобразователем, который подключен к выходу мостового выпрямителя. Также в состав корректора входят: силовой ключ, дроссель преобразователя, диод выпрямителя и выходные конденсаторы. В качестве фильтров в корректоре мощности используются пленочные конденсаторы производства EPCOS 5 мкФ 800В. Схема корректора оснащена входным фильтром, который защищает питающую сеть от помех, вызванных работой преобразователя. Управляет работой корректора мощности микросхема L6562AT - компактный и недорогой компонент, который может работать в широком диапазоне температур, что необходимо для работы в приборах, рассчитанных на наружное применение.
Часть вторая: Резонансный преобразователь
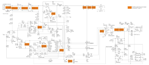
Полумостовой, резонансный, понижающий преобразователь собран на контроллере L6599AT. Микросхема берет на себя все функции, необходимые для правильного регулирования резонансного преобразователя. Она работает при постоянном значении рабочего цикла 50% и использует изменения частоты в качестве управляющего параметра. В качестве индуктивности контура используется внутренняя индуктивность, тем самым отпадает необходимость использовать внешние дроссели для создания резонанса. Выходной выпрямитель источника, построенный по двухтактной схеме со средней точкой, собран на дидодах Шоттки STPS10150CG. В качестве фильтра здесь также используются пленочные конденсаторы EPCOS 4,7мкФ / 63В. Имеется также небольшой фильтр LC, который подавляет пульсации выходного напряжения. Выходное напряжение стабилизируется при помощи обратной связи. На рисунке 2 показана полная схема блока питания, перечень элементов приведен в таблице 1.
Таблица 1 - Перечень элементов продуктов TDK-EPC, применяемых в источнике EVL130W-STRLIG
| Позиция | Тип, номинал | Размеры (Д x Ш x В), мм | P/N |
|---|---|---|---|
| C2 |
470 нФ X2
|
9.0 x 18.0 х 15
|
MKP, B32922C3474K000 |
| C3 |
470 нФ X2
|
9.0 x 18.0 х 15
|
MKP, B32922C3474K000 |
| C4 |
470 нФ X2
|
9.0 x 18.0 х 15
|
MKP, B32922C3474K000 |
| C5 |
5 мкФ 800В
|
14 x 31.5 х 27.5
|
MKP, B32774D8505K000 |
| C6 |
5 мкФ 800В
|
14 x 31.5 х 27.5
|
MKP, B32774D8505K000 |
| C7 |
5 мкФ 800В
|
14 x 31.5 х 27.5
|
MKP, B32774D8505K000 |
| C10 |
1 мкФ 50В X7R
|
1206
|
MLCC, C3216X7R1H105KT |
| C13 |
10 мкФ 25В X7R
|
1210
|
MLCC, C3225X7R1E106M |
| C17 |
4.7 мкФ 63D
|
7.8 x 7.8 х 5
|
MKT, B32529D0475M000 |
| C18 |
4.7 мкФ 63В
|
7.8 x 7.8 х 5
|
MKT, B32529D0475M000 |
| C20 |
15 нФ 1000В
|
5 x 18 х 15
|
MKP, B32652A0153K000 |
| C24 |
4.7 мкФ 6,3В X5R
|
0805
|
MLCC, C2012X5R0J475KT |
| C25 |
470 пФ 50В COG
|
0805
|
MLCC, C2012C0G1H471JT |
| C30 |
10 мкФ 25В X7R
|
1210
|
MLCC, C3225X7R1E106KT |
| C40 |
10 мкФ 50В X7R
|
2220
|
MLCC, C5750X7R1H106M |
| RV1 |
300 В AC
|
15 x 5 х 7.5
|
Варистор B72214S0301K101 |
Измерение эффективности
В таблице 2 приводится измеренная общая эффективность источника питания при двух значениях входного напряжения: 230В / 50Гц и 115В / 60Гц с различными нагрузками. При напряжении в 115В при полной нагрузке, общая эффективность составляет 90,96% и увеличивается до 93,39% на 230В. Эффективность измерялась при значениях нагрузки 25, 50, 75, 100 процентов от полного тока нагрузки. Средняя эффективность составляет: 91,04% при 230В и 89,52% при 115В. Это означает, что преобразователь обладает высокой эффективностью не только при полной нагрузке, но и при более низких нагрузках, что является типичным при работе со светодиодами, при регулировке яркости свечения.
Таблица 2 - Значение эффективности при различных нагрузках
| 230В, 50Гц | 115В, 60Гц | |||||||||
|---|---|---|---|---|---|---|---|---|---|---|
| Тест | Vout, В |
Iвых, A |
Pout, Вт |
Pвх, Вт | η, % |
Vвых, В |
Iвых, A |
Pвых, Вт |
Pвх, Вт |
η, % |
| 25% макс. нагр. |
47.58
|
0.689
|
32.8
|
37.87
|
86.57
|
47.59
|
0.689
|
32.8
|
37.87
|
86.58
|
| 50% макс. нагр. |
47.57
|
1.378
|
65.6
|
71.66
|
91.48
|
47.58
|
1.378
|
65.6
|
72.93
|
89.90
|
| 75% макс. нагр. |
47.56
|
2.008
|
95.5
|
102.96
|
92.75
|
47.56
|
2.001
|
95.2
|
105.0
|
90.64
|
| 100% макс. нагр. |
47.55
|
2.708
|
128.8
|
137.6
|
93.38
|
47.56
|
2.703
|
128.6
|
141.33
|
90.96
|
| Среднее КПД | 91.04 | 89.52 | ||||||||
Вы можете заказать у нас образцы микросхем L6562AT, L6599AT, конденсаторы EPCOS B32774D8505K, B32774D8505K000, B32922C3474K, керамические конденсаторы производства TDK, купить или взять в аренду демонстрационные платы EVAL130V1, также мы готовы дать рекомендации по подбору MOSFET-ключей, пассивных элементов, изготовить моточные изделия.
За получением более подробной информации вы можете обратиться:
E-mail: info@promelec.ru
Телефон: +7 (343) 245-68-20
Задать вопрос техподдержке вы можете на нашем форуме.
Последние новости - одной лентой: 

