Датчики газа компании Figaro Engineering
Японская компания Figaro Engineering была основана в 1968 г. Она первой в мире выпустила полупроводниковые датчики газа. С тех пор компания продолжает оставаться мировым лидером в своем сегменте рынка. Перед тем как перейти к описанию продукции компании, заметим, что Figaro Engineering производит датчики следующих типов:
- MOS (полупроводниковые датчики);
- CAT (датчики каталитического типа);
- EC (датчики электрохимического типа);
- NDIR (недисперсионные инфракрасные датчики).
Полупроводниковые датчики MOS типа
В датчиках типа MOS чувствительный элемент, состоящий из полупроводниковых частиц (обычно диоксида олова), нагревается до нескольких сотен градусов Цельсия; при этом датчики поглощают из воздуха кислород, и сопротивление чувствительного элемента увеличивается. Однако при прохождении потока восстанавливающего газа через чувствительный элемент, адсорбированный кислород (О2) вступает с ним в реакцию и концентрация О2 в полупроводнике сенсора уменьшается, что приводит к уменьшению сопротивления сенсорного элемента. Измеряя, как изменяется сопротивление, можно оценить концентрацию восстанавливающего газа, например оксида углерода (СО).
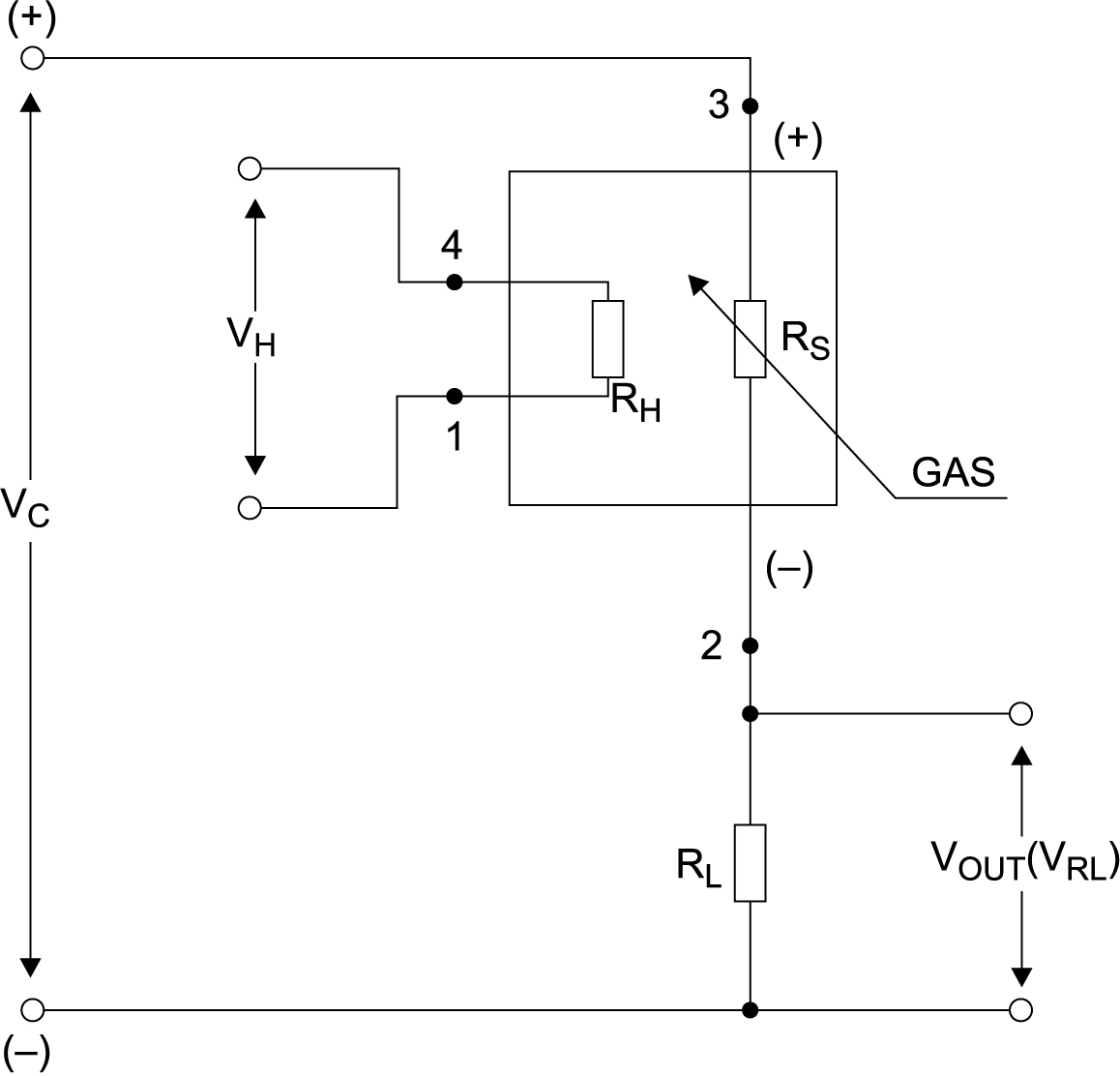
В общем случае измерительная схема для такого датчика представлена на рисунке 1. Она довольно проста и представляет собой обычный резистивный делитель напряжения. Для накаливания чувствительного элемента используется дополнительный источник напряжения Vн.
Рис. 1. Измерительная схема для датчиков типа MOS
В качестве примера датчика MOS типа рассмотрим датчик TGS 2603, который измеряет концентрацию газов в пределах 1–10 ppm. На рисунке 2 показано изменение величины сопротивления RS чувствительного элемента датчика в зависимости от концентрации измеряемых газов. Величина R0 представляет собой сопротивление сенсорного элемента на воздухе при 20°С и относительной влажности 65%.

Рис. 2. Изменение величины сопротивления RS чувствительного элемента датчика TGS 2603 в зависимости от концентрации измеряемых газов
Чувствительность датчика позволяет легко обнаружить загрязнение воздуха даже от одной выкуренной сигареты. Датчик производится в стандартном металлическом корпусе ТО-5. Приведем некоторые основные параметры датчика:
- напряжение питания измерительной схемы: 5 В;
- напряжение питания нагревателя: 5 В;
- рассеиваемая мощность чувствительного элемента: 15 мВт;
- оптимальная концентрация измеряемых газов: 1–10 ppm;
- сопротивление чувствительного элемента на воздухе: 20–200 кОм;
- ток потребления нагревательного элемента: 48 ±5 мА;
- диапазон рабочей температуры: –10…50°С.
Датчики каталитического типа (CAT)
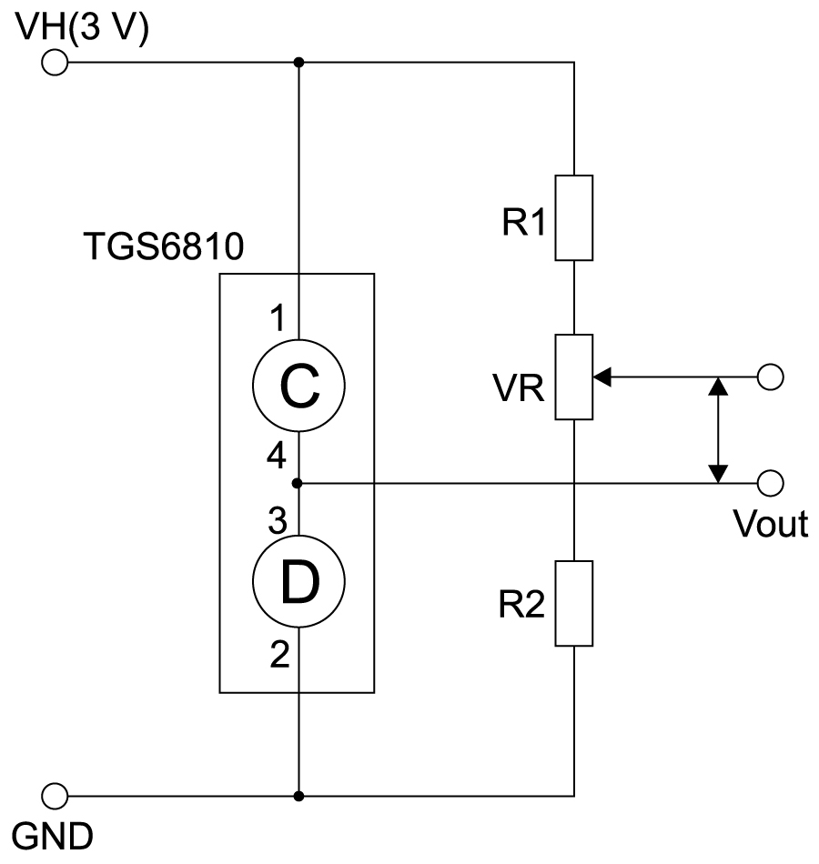
Датчик каталитического типа состоит из двух основных элементов: детектора (D) с каталитическими веществами и инертного компенсатора (C). Горючие газы сгорают только на детекторе, в результате чего его температура и, следовательно, сопротивление повышается; при этом температура компенсатора не меняется. Таким образом, по разности сопротивлений этих двух элементов и судят о концентрации газов. В качестве измерительной схемы используется классический мост (см. рис. 3). Потенциометр VR служит для балансировки моста при отсутствии измеряемых газов.
Рис. 3. Измерительная схема для каталитических датчиков
В качестве примера рассмотрим датчик каталитического типа TGS 6810. Он измеряет концентрацию пропана, бутана и метана в пределах 0–10000 ppm или в диапазоне 0–100% от нижнего значения взрывоопасной концентрации.
Некоторые основные параметры TGS 6810:
- напряжение питания: 3,0 ±0,1 В;
- выходной сигнал при концентрации метана 5000 ppm: 10–18 мВ;
- выходной сигнал при концентрации изобутана 1800 ppm: 5–11 мВ;
- ток нагрева: 175 мА;
- размер: 13×12 мм;
- диапазон рабочей температуры: –10…50°С.
Датчики электрохимического типа (EC)
В первом приближении можно рассматривать электрохимический датчик как аккумуляторную батарею, состоящую из активного электрода, противоэлектрода и ионного проводника между ними. Токсичный газ, контактируя с рабочим электродом, вызывает протекание тока в ионном проводнике. Типовой измерительный каскад электрохимического датчика представлен на рисунке 4.

Рис. 4. Измерительная схема для электрохимических датчиков
Электрохимический датчик TGS 5141 с диапазоном измерений 0–5000 ppm позволяет измерить концентрацию монооксида углерода вплоть до 1%! Выходным сигналом датчика является ток, линейно зависящий от концентрации газа; следует только учитывать зависимость этого тока от температуры. Некоторые основные параметры датчика:
- концентрация монооксида углерода: 0–5000 ppm;
- чувствительность датчика: 1,2–3,2 нА/ppm;
- дрейф нуля: ±10 ppm;
- время отклика на уровне 0,9: не более 60 с;
- размер датчика: 14×10 мм;
- диапазон рабочей температуры: 0–50°С.
Недисперсионные инфракрасные датчики (NDIR)
Принцип действия датчика NDIR основан на поглощении молекулами газа инфракрасного излучения. Датчик работает с излучением на двух разных длинах волн. Одна из них не взаимодействует с исследуемым газом, а другая им поглощается. По соотношению интенсивностей излучения инфракрасного света на этих длинах волн, прошедших через поток измеряемого газа, и определяется его концентрация. Поскольку выходным сигналом датчика служит ШИМ частотой 1 кГц, отдельный измерительный каскад не требуется.
В производственной линейке компании насчитывается 47 датчиков, которые предназначены для бытовых или промышленных приложений. Датчики используются для измерения концентрации газообразных хладагентов, токсичных и горючих газов, определения загрязнения воздуха и прочих аналогичных измерений. Диапазон измерения датчиков находится в очень широких пределах от 1 до 10000 ppm и до 80 мг/л. Измеряются концентрации следующих газов:
- метан;
- пропан;
- бутан;
- монооксид углерода (угарный газ);
- углекислый газ;
- летучие органические соединения (VOC);
- водород;
- кислород;
- аммиак;
- сероводород;
- сернистый газ;
- окись азота;
- двуокись азота;
- хлор.
Компания Промэлектроника предлагает своим клиентам датчики газа производства Figaro Engineering.
Новые поступления датчиков представлены в таблице: