Лучшая цена на тиристор от TECH Semiconductors Co., Ltd.
Компания TECH Semiconductors Co., Ltd. (TECHSEM) создана в 1966 году в Китае и занимается разработкой, производством и продажей силовых полупроводниковых устройств. Продукция компании TECHSEM известна высоким качеством и имеет хорошую репутацию как на внутреннем рынке Китая, так и на внешних рынках. Благодаря более чем 40-летнему опыту компания TECHSEM имеет существенные преимущества в технологиях и в производственных возможностях. Компания сертифицирована по требованиям стандартов ISO9001, ISO14001.
Мы предлагаем мощные тиристоры компании TECHSEM по оптимальным ценам. Тиристор BCA50-1200 имеет привлекательные параметры, позволяющие использовать его во многих проектах или в качестве замены вышедших из строя компонентов.
Основные параметры:
- ITAV – максимальный средний ток в открытом состоянии, А: 50;
- UDRM/URRM – повторяющееся импульсное напряжение в закрытом состоянии и повторяющееся импульсное обратное напряжение, В: 1200;
- ITSM – ударный ток в открытом состоянии, А: 600;
- IGT – отпирающий ток управления, мА: 100;
- изолированный корпус, совместимый с TO-247.
Применяемый корпус TO-3PML изолирован от вывода анода, что позволяет крепить на радиатор несколько тиристоров или смежных элементов, требующих охлаждения, обеспечивая гальваническую развязку между ними. BCA50-1200 подходит как для замены при ремонте аппаратуры, так и для разработок, построенных на тиристорах с корпусом TO-247.


Рисунок 1 Тиристор в корпусах TO-3PML и TO-247
В связи с простотой управления тиристорами и небольшого количества дополнительно необходимых элементов, тиристоры широко применяются в:
- выпрямителях;
- схемах управления двигателем;
- регуляторах и преобразователях мощности (инверторах);
- источниках бесперебойного питания (ИБП);
- твердотельных реле (SSR);
- зарядных устройствах для аккумуляторов.
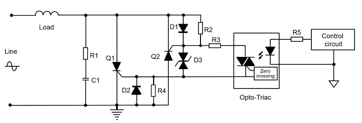
Рассмотрим одно из применений тиристоров на следующем примере: твердотельное реле для коммутации переменного тока обычно имеет два тиристора, включенных встречно-параллельно (Q1 и Q2 на рисунке ниже). Два тиристора предпочтительнее одного симистора, так как они могут обеспечить больший ток нагрузки.

Рисунок 2 Схема твердотельного реле на тиристорах
Описание работы схемы
• Для управления тиристорами используется оптосимистор. При срабатывании оптосимистор подает положительный сигнал управления на управляющий электрод тиристора Q1 или Q2, в зависимости от полярности волны питающего напряжения.
• Диод D2 используется для пропускания тока управления тиристора Q2 при включении оптосимистора, поддерживая обратное напряжение между управляющим электродом и катодом тиристора Q1 ниже заданного максимального уровня. Диод D1 играет ту же роль, что и диод D2, но при этом должен срабатывать тиристор Q1.
• Резисторы R2 и R4 используются для улучшения устойчивости работы схемы. Эти резисторы применяются при необходимости.
• TVS-диод D3, подключенный между управляющими электродами тиристоров Q1 и Q2, позволяет защитить оба тиристора от перенапряжения.
Ключевыми параметрами тиристоров являются:
• UDRM/URRM: с напряжением на 800 В используются для однофазных сетей, а устройства на 1000–1200 В для трехфазных;
• IGT: предпочтительны тиристоры с током IGT выше 30 мА, в случае BCA50-1200 этот ток составляет 100 мА, поскольку они обладают лучшей устойчивостью к dV/dt. Более того, поскольку ток управления не зависит от оптосимистора, большой ток управления обеспечивается без увеличения мощности схемы управления (control circuit).
Ознакомиться с документацией на BCA50-1200 вы сможете в карточке товара, представленной ниже.
- Абакан
- Анадырь
- Архангельск
- Астрахань
- Барнаул
- Белгород
- Биробиджан
- Благовещенск
- Брянск
- Великий Новгород
- Владивосток
- Владикавказ
- Владимир
- Волгоград
- Вологда
- Воронеж
- Горно-Алтайск
- Грозный
- Екатеринбург
- Иваново
- Ижевск
- Иркутск
- Йошкар-Ола
- Казань
- Калининград
- Калуга
- Кемерово
- Киров
- Кострома
- Краснодар
- Красноярск
- Курган
- Курск
- Кызыл
- Липецк
- Магадан
- Магас
- Майкоп
- Махачкала
- Москва
- Мурманск
- Нальчик
- Нарьян-Мар
- Нижний Новгород
- Новосибирск
- Омск
- Орёл
- Оренбург
- Пенза
- Пермь
- Петрозаводск
- Петропавловск-Камчатский
- Псков
- Ростов-на-Дону
- Рязань
- Салехард
- Самара
- Санкт-Петербург
- Саранск
- Саратов
- Симферополь
- Смоленск
- Ставрополь
- Сыктывкар
- Тамбов
- Тверь
- Томск
- Тула
- Тюмень
- Улан-Удэ
- Ульяновск
- Уфа
- Хабаровск
- Ханты-Мансийск
- Чебоксары
- Челябинск
- Черкесск
- Чита
- Элиста
- Южно-Сахалинск
- Якутск
- Ярославль
This site is protected by reCAPTCHA and the Google
Privacy Policy and Terms of Service apply.