SPIRIT1 – малопотребляющий беспроводной приемо-передатчик диапазона до 1ГГц от STMicroelectronics
24 мая 2012 г.

Компания STMicroelectronics анонсировала новый беспроводной трансивер субгигагерцового диапазона SPIRIT1, основным преимуществом которого является низкое энергопотребление и высокая чувствительность.
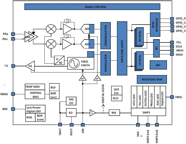
Приемопередатчик SPIRIT1 предназначен для организации двухстороннего обмена между бытовыми и промышленными интеллектуальными счетчиками энергии и сетевыми концентраторами данных, передающими информацию в управляющие центры энергопоставляющих компаний. Рассчитанный на диапазон частот до 1 ГГц, приемопередатчик небольшого радиуса действия обеспечивает уверенное прохождение сигнала через бетонные стены и иные конструкции зданий.
Потребляемая мощность – ключевой параметр для беспроводных измерительных приложений с батарейным питанием. Экстремально низкий ток потребления, сокращенный на 50% по отношению к любому подобному прибору на современном рынке, дает SPIRIT1 беспрецедентное конкурентное преимущество (до 9 мА в режиме приемника (RX) и до 21 мА в режиме передатчика (TX) (при +11 дБ)). Созданные на основе SPIRIT1 приложения смогут работать без замены батарей вдвое дольше, чем системы, основанные на других решениях.
Приемник SPIRIT1 отличается великолепной чувствительностью, равной -120 дБ. Это дает разработчикам возможность, при сохранении высочайшей надежности коммуникационного канала, снижать мощность передатчика, соответственно, еще больше сокращая общее потребление тока. Приемопередатчик поддерживает усовершенствованную технологию скачкообразного изменения частоты, авто-идентификацию и автоматическое согласование с антенной, обеспечивающие безошибочную передачу данных даже в условиях неблагоприятной окружающей среды и повышенной логистической нагрузки.
Среди дополнительных особенностей микросхемы нужно выделить встроенный 128-битный шифратор данных, схему обнаружения и коррекции ошибок, блок памяти FIFO, а также исключительно гибкий механизм управления пакетами данных, позволяющий существенно уменьшить вычислительную нагрузку на управляющий микроконтроллер и снизить общую стоимость системы.
Приемопередатчик SPIRIT1 предназначен для организации двухстороннего обмена между бытовыми и промышленными интеллектуальными счетчиками энергии и сетевыми концентраторами данных, передающими информацию в управляющие центры энергопоставляющих компаний. Рассчитанный на диапазон частот до 1 ГГц, приемопередатчик небольшого радиуса действия обеспечивает уверенное прохождение сигнала через бетонные стены и иные конструкции зданий.
Потребляемая мощность – ключевой параметр для беспроводных измерительных приложений с батарейным питанием. Экстремально низкий ток потребления, сокращенный на 50% по отношению к любому подобному прибору на современном рынке, дает SPIRIT1 беспрецедентное конкурентное преимущество (до 9 мА в режиме приемника (RX) и до 21 мА в режиме передатчика (TX) (при +11 дБ)). Созданные на основе SPIRIT1 приложения смогут работать без замены батарей вдвое дольше, чем системы, основанные на других решениях.
Приемник SPIRIT1 отличается великолепной чувствительностью, равной -120 дБ. Это дает разработчикам возможность, при сохранении высочайшей надежности коммуникационного канала, снижать мощность передатчика, соответственно, еще больше сокращая общее потребление тока. Приемопередатчик поддерживает усовершенствованную технологию скачкообразного изменения частоты, авто-идентификацию и автоматическое согласование с антенной, обеспечивающие безошибочную передачу данных даже в условиях неблагоприятной окружающей среды и повышенной логистической нагрузки.
Среди дополнительных особенностей микросхемы нужно выделить встроенный 128-битный шифратор данных, схему обнаружения и коррекции ошибок, блок памяти FIFO, а также исключительно гибкий механизм управления пакетами данных, позволяющий существенно уменьшить вычислительную нагрузку на управляющий микроконтроллер и снизить общую стоимость системы.
Основные характеристики SPIRIT1:
- Диапазон частот: 150-174 МГц, 300-348 МГц, 387-470 МГц, 779-956 МГц
- Виды модуляции: 2-FSK, GFSK, GMSK, OOK, ASK
- Скорость передачи до 500 кбод
- Низкое энергопотребление до 9 мА в режиме приемника (RX) и до 21 мА в режиме передатчика (TX) (при +11 дБ)
- Программируемый фильтр приемника в диапазоне 6 … 800 кГц
- Программируемые каналы связи (12,5 кГц минимально)
- Высокая чувствительность приемника до -120 дБ
- Программируемая мощность передатчика до +11 дБ
- Быстрый запуск и синхронизация частоты (6 мкс)
- Встроенный датчик температуры
- Индикатор батареи и разряда батареи
- Блок памяти FIFO RX и TX (96 байт для каждого)
- Интерфейс SPI
- Блок шифрования 128 бит
- Встроенный RC-генератор
- Схема обнаружения и коррекции ошибок
- Совместимость с M-BUS, EN 300 220, FCC CFR47 15 (15.205, 15.209, 15.231, 15.247, 15.249), ARIB STD T-67, T93, T-108
- Индустриальный диапазон рабочих температур -40…+85 °C
- Компактный корпус QFN20 (4x4x0.9 мм)
Области применения:
- Автоматизированные системы учета и сбора данных (электросчетчики, счетчики тепла, газа и жидкостей)
- Системы автоматизации зданий (умный дом)
- Беспроводные системы связи
- Системы охраны и пожаротушения
- Навигационные системы
Уточнить возможность поставки отладок и образцов вы можете обратившись:
Бренд-менеджер:
Сорокин Сергей
E-mail: info@promelec.ru
Телефон: +7 (343) 245-68-20
Задать вопрос техподдержке Вы можете на нашем форуме.
Последние новости - одной лентой:
Сорокин Сергей
E-mail: info@promelec.ru
Телефон: +7 (343) 245-68-20
Задать вопрос техподдержке Вы можете на нашем форуме.
"ПРОМЭЛЕКТРОНИКА" - официальный прямой дистрибьютор компании "STMicroelectronics"
Последние новости - одной лентой:

