| Основные параметры: Si (тип.) - типовая чувствительность Bw - полоса пропускания ВЧ-тракта по уровню -3дБ Uпит. - напряжение питания Iпотр. - ток потребления Диапазон рабочих температур: -20…+80°С Тип модуляции - АМ |
![]() |
| Наименование | Si (тип.), дБм | Bw, МГц | Частотный диапазон цифрового выхода, кГц | Uпит., В | Iпотр., мА | Max время включения, c | Уровень лог."0" на выходе, В | Уровень лог."1" на выходе, В | Габариты, ДхВхШ, мм |
| RX-4MHCS* | -106 | 0,6 | 2…3 | 5±5% | 3…5 | 2 | - | - | 39,5x17,5x5 |
| RX-4M50RR30SF | -100 | 0,6 | 0,1…3 | 5±5% | 2,6…3,3 | 2,5 | 0,1 | 3,8 | 40,1х17,5х5,5 |
| AC-RX | -100 | 4 | 3 | 5±10% | 2,5…3 | 2 | Общий+0,4 | Uпит.-1,2 | 38,1х12,3х5,5 |
| AC-RX2 | -106 | 4 | 3 | 5±10% | 2,5…3 | 2 | Общий+0,4 | Uпит.-1,2 | 38,1х12,3х3 |
| RX-4MA1 | -106 | 0,6 | 0,1…3 | 5±5% | 2,6…3,3 | 2,5 | 0,1 | 3,8 | 40,1х17,5х5,5 |
| RX-4MA2** | -106 | 0,6 | 0,1…3 | 5±5% | 0,7…1 | 2,5 | 0,1 | 3,8 | 39x15x3 |
| BC-NBK | -97 | 2,4 | 2 | 5±10% | 2,7…3 | 2 | Общий+0,4 | Uпит-1,2 | 38,1х13,7х5,5 |
| BC-NB 3V3 | -93 | 3 | 0,5…2,5 | 3,3±10% | 0,4 | 0,5 | - | - | 38,1х13,7х5,5 |
| RX-4M25RR01SF | -94 | 0,6 | 2…3 | 2,25…2,75 | 0,07 | 1 | Общий+0,4 | Uпит.-0,4 | 40,1х17,5х5,5 |
| RX-4M30RR01SF | -94 | 0,6 | 2…3 | 2,75…3,25 | 0,07 | 2 | Общий+0,4 | Uпит.-0,4 | 40,1х17,5х5,5 |
*с встроенным декодером (HCS, 4 канала с открытым коллектором (100 мА))
** Диапазон рабочих температур: -40…+80°С
Супергетеродинные
| Наименование | Si, дБм | Bw, МГц | Частотный диапазон цифрового выхода, кГц | Uпит., В | Iпотр., мА | Время включения, с | Уровень лог."0" на выходе, В | Уровень лог."1" на выходе, В | Габариты, ДхВхШ, мм |
| RX-4MM3 | -114 | 0,28 | 2…3 | 3±10% | 5,8…7,0 | 0,3 | Общий+0,4 | Uпит.-0,4 | 38,9х17,5х5,2 |
| RX-4MM5 | -114 | 0,28 | 2…3 | 5±10% | 5,8…7,0 | 0,3 | Общий+0,4 | Uпит.-0,6 | 38,9х17,5х5,2 |
| RX-4MM5++ | -114 | 0,3 | 2…3 | 5±10% | 5,8…7,0 | 0,3мс | Общий+0,4 | Uпит.-0,6 | 36,04x15x4 |
| RX-4M50FM60SF* | -111 | 0,6 | 2…3 | 5±5% | 6…8 | 0,2 | Общий | Uпит.-1 | 44,95х17,5х9,3 |
| RX-4MF1* | -111 | 0,6 | 2…3 | 5±5% | 6…7 | 0,2 | Общий | Uпит.-1 | 40,0х17,5х5,5 |
| RX-AM4SF | -109 | 0,6 | 2…3 | 5±5% | 6,5 | 0,2 | Общий+0,4 | Uпит.-0,4 | 40,13х17,5х5,3 |
| RX-AM8SF** | -108 | 1 | 3 | 5±10% | 8 | - | Общий+0,4 | Uпит.-0,4 | 40,4х17,4х5,5 |
| RX-8L50FM70SF*** | -107 | 0,6 | 10 | 5±5% | 7…8 | 0,2 | Общий | Uпит.-1 | 44,95х17,51х9,3 |
**868,3 МГц
***ЧМ, 868,3 МГц
Назначение выводов и блок схемы:
| Наименование приемника | Блок-схема |
| AC-RX AC-RX2 BC-NBK BC-NB 3V3 |
![]() |
| RX-4MA1 RX-4MA2 RX-4M50RR30SF RX-4M25RR01SF RX-4M30RR01SF |
![]() |
| RX-4MM3 RX-4MM5 |
![]() |
| RX-4MF1 | ![]() |
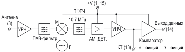
| RX-AM4SF RX-AM4SF |
![]() |
| RX-4M50FM60SF RX-8L50FM70SF |
![]() |
| RX-4MHCS | ![]() |
Технические описания на приемники формате PDF:







